|
|
Ролики предназначены для
поддержания ленты ленточных конвейеров общепромышленного применения.
 
 
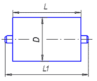
№ чертежа ролика
|
Д, мм
|
L тр, мм
|
N подш
|
L, мм
|
L1, мм
|
L2, мм
|
Масса, кг
|
4243-00-000А
|
159
|
2200
|
308
|
2430
|
2490
|
170
|
91,8
|
4243-00-000-01А
|
159
|
2400
|
308
|
2630
|
2690
|
170
|
96,8
|
1008.00.
|
219
|
960
|
310
|
1309
|
1382
|
230
|
83,5
|
1008.00.01
|
219
|
1610
|
310
|
1959
|
2032
|
230
|
113,7
|
1008.00.02
|
219
|
1410
|
310
|
1759
|
1832
|
230
|
106,4
|
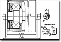
Ролики типа "РП" для ленточных конвейеров
Конструктивные отличия:
- использование подшипников средней серии;
- возможность быстрой разборки - сборки для
ревизии;
- исключено проворачивание корпуса подшипника;
- возможность транспортировки высоко абразивных
материалов
Основные достоинства
Простая и надежная в эксплуатации конструкция при невысокой цене.
Обознач. на чертежах
|
Диаметр ролика, Д, мм
|
Длина ролика, L рол, мм
|
Расстояние между лысками, Lл, мм
|
Длина оси, Lоси, мм
|
Диаметр оси, d, мм
|
Ширина лыски, S, мм
|
Под шипник
|
Вес ролика, кг
|
ширина конвейера 500 мм
|
8655-00-00
|
108
|
195
|
210
|
230
|
19,8
|
13,0
|
304
|
7,15
|
8655-00-02
|
108
|
600
|
604
|
624
|
19,8
|
13,0
|
304
|
14,10
|
ширина конвейера 650 мм
|
8655-00-01
|
108
|
245
|
255
|
275
|
19,8
|
13,0
|
304
|
8,15
|
8655-00-03
|
108
|
750
|
754
|
774
|
19,8
|
13,0
|
304
|
16,50
|
ширина конвейера 800 мм
|
8639-00-00
|
127
|
310
|
312
|
332
|
24,8
|
16,0
|
305
|
11,70
|
8639-00-03
|
127
|
950
|
956
|
976
|
24,8
|
16,0
|
305
|
22,20
|
ширина конвейера 1000 мм
|
8639-00-01
|
127
|
380
|
382
|
402
|
24,8
|
16,0
|
305
|
13,20
|
8639-00-04
|
127
|
1 150
|
1 156
|
1 176
|
24,8
|
16,0
|
305
|
26,80
|
8624-00-00
|
159
|
380
|
382
|
402
|
24,8
|
16,0
|
305
|
17,50
|
8624-00-01
|
159
|
1 150
|
1 156
|
1 176
|
24,8
|
16,0
|
305
|
37,40
|
ширина конвейера 1200 мм
|
8639-00-02
|
127
|
460
|
462
|
482
|
24,8
|
16,0
|
305
|
14,40
|
8639-00-05
|
127
|
1 400
|
1 406
|
1 426
|
24,8
|
16,0
|
305
|
33,00
|
8624-00-02
|
159
|
460
|
462
|
482
|
29,8
|
16,0
|
306
|
20,20
|
8624-00-04
|
159
|
1 400
|
1 406
|
1 426
|
29,8
|
16,0
|
306
|
44,90
|
ширина конвейера 1400 мм
|
8624-00-05
|
159
|
530
|
534
|
554
|
29,8
|
16,0
|
306
|
22,10
|
8624-00-06
|
159
|
1 600
|
1 610
|
1 630
|
29,8
|
16,0
|
306
|
50,30
|
ширина конвейера 1600 мм
|
8624-00-07
|
159
|
600
|
604
|
624
|
29,8
|
16,0
|
306
|
23,90
|
8624-00-08
|
159
|
1 800
|
1 810
|
1 830
|
29,8
|
16,0
|
306
|
58,70
|
ширина конвейера 2000 мм
|
8624-00-09
|
159
|
740
|
760
|
780
|
29,8
|
20,0
|
306
|
30,80
|
8624-00-10
|
159
|
2 200
|
2 210
|
2 244
|
29,8
|
20,0
|
306
|
75,50
|
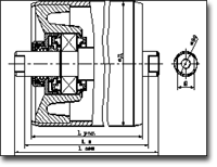
Ролики типа "ДР" для ленточных конвейеров
Конструктивные отличия:
-наружные резиновые уплотнения
совместно с кольцевыми канавками у
запрессованной крышки надежно предохранят от
попадания пыли, воды, грязи;
- полости подшипников заполнены
высококачественной смазкой "Литол 24"
и герметично защищены
специальными пластмассовыми уплотнителями;
- внутренние полости ролика обработаны
антикоррозийной cмазкой ПВК;
- момент страгивания не более 6,7 кГсм.
Основные достоинства
Современная, надежная, не требующая технического
обслуживания
конструкция. Увеличен срок службы в 3 - 4 раза.
Обознач. на чертежах
|
Диаметр ролика, Д, мм
|
Длина ролика, L рол, мм
|
Расстояние между лысками, Lл, мм
|
Длина оси, Lоси, мм
|
Диаметр оси, d, мм
|
Ширина лыски, S, мм
|
Под шипник
|
Вес ролика, кг
|
ширина конвейера 1000 мм
|
7714
|
127
|
360
|
|
408
|
30
|
|
306
|
14.4
|
А5460.0000
|
159
|
380
|
410
|
440
|
30
|
15
|
306
|
19,3
|
А5457.0000
|
159
|
1 150
|
1 180
|
1 210
|
30
|
15
|
306
|
40,0
|
ширина конвейера1200 мм
|
А5422.0000
|
159
|
450
|
461
|
485
|
30
|
13
|
306
|
21,1
|
А5459,0000
|
159
|
460
|
490
|
520
|
30
|
15
|
306
|
22,2
|
А5458.0000
|
159
|
1 400
|
1 430
|
1 460
|
30
|
15
|
306
|
46,0
|
А5424.0000
|
159
|
1 400
|
1 406
|
1 440
|
30
|
13
|
306
|
45,1
|
ширина конвейера 1400 мм
|
А5423.0000
|
159
|
530
|
533
|
555
|
30
|
15
|
306
|
23,1
|
ДР10.0000
|
159
|
530
|
540
|
558
|
30
|
16
|
306
|
23,2
|
А5425.0000
|
159
|
1 600
|
1 608
|
1 640
|
30
|
15
|
306
|
50,5
|
ширина конвейера1600 мм
|
ДР01.0000
|
159
|
600
|
612
|
640
|
30
|
19
|
306
|
25,0
|
ДР05.0000
|
159
|
1 800
|
1 810
|
1 840
|
30
|
19
|
306
|
56,0
|
Ролики "194" для ленточных конвейеров
Конструктивные отличия:
- могут выдерживать значительные перегрузки;
- применение мощных подшипников N 312 дает
возможность
транспортировать крупнокусковые горные породы и руды;
- наличие противопыльного уплотнительного кольца
из
маслотермостойкой резины;
- простота конструкции подшипникового узла,обеспечивающего
мягкую и быструю разборку и сборку.
Обозначение на чертежах
|
Диаметр ролика, Д, мм
|
Длина ролика, L рол, мм
|
Расстояние между лысками, L
л, мм
|
Длина оси, L оси, мм
|
Диаметр оси, d, мм
|
7802.00
|
194
|
460
|
464
|
506
|
35
|
7802.00.01
|
194
|
530
|
534
|
576
|
35
|
7802.00.02
|
194
|
600
|
604
|
646
|
35
|
6645.00.03
|
194
|
670
|
678
|
718
|
35
|
6645.00.04
|
194
|
740
|
749
|
789
|
35
|
6645.00.05
|
194
|
800
|
808
|
848
|
35
|
6645.00.06
|
194
|
900
|
908
|
948
|
35
|
6645.00.07
|
194
|
1 080
|
1 100
|
1 142
|
35
|
6645.00.09
|
194
|
1 150
|
1 158
|
1 198
|
35
|
6645.00.10
|
194
|
1400
|
1404
|
1446
|
35
|
6645.00.11
|
194
|
1600
|
1604
|
1646
|
35
|
6645.00.12
|
194
|
1800
|
1804
|
1846
|
35
|
6645.00.13
|
194
|
780
|
800
|
844
|
35
|
6645.00.14
|
194
|
750
|
760
|
790
|
35
|
Ролики "ГВК" для
ленточных конвейеров
Ролики ленточных конвейеров горно-вскрышных комплексов
(ГВК) были разработаны в
70-е годы для ГВК, выпускаемых немецкой фирмой
Лаухаммера.
Конструктивные отличия:
-
применение более мощных подшипников N 308,
312 вместо N 304-306,что дает
возможность транспортировать
крупнокусковые горные породы и руды;
- наличие противопыльного уплотнительного кольца
из
маслотермостойкой резины;
- простота конструкции подшипникового узла,
обеспечивающего мягкую и быструю разборку и сборку.
Обозначение на чертежах
|
Диаметр ролика, Д, мм
|
Длина ролика, L рол, мм
|
Расстояние между лысками, Lл, мм
|
Длина оси, Lоси, мм
|
Диаметр оси, d, мм
|
Ширина лыски, S, мм
|
Подшипник
|
Вес ролика, кг
|
ширина конвейера 800
мм
|
Н-4217-00-000-01
|
108
|
980
|
1 008
|
1 036
|
36
|
22
|
308
|
41,8
|
ширина конвейера 1000
мм
|
В4215-00-000А
|
159
|
380
|
440
|
490
|
48
|
24
|
312
|
32,7
|
В4215-00-000А-01
|
159
|
465
|
525
|
575
|
48
|
24
|
312
|
35,3
|
Н-4216-00-000СБ
|
108
|
1 150
|
1 160
|
1 210
|
28
|
14
|
308
|
40,8
|
ширина конвейера 1200
мм
|
7768.00.000И
|
159
|
425
|
452
|
492
|
35
|
29
|
308
|
23,1
|
7768.00.000И-ОЗИ
|
159
|
1 350
|
1 369
|
1 417
|
35
|
29
|
308
|
44,3
|
ширина конвейера 1600
мм
|
4214-00-000А
|
159
|
600
|
610
|
640
|
40
|
22
|
312
|
25,5
|
4214-00-000А-01
|
159
|
660
|
677
|
705
|
40
|
22
|
312
|
28,0
|
Н-4217-00-000-02
|
108
|
1 800
|
1 812
|
1 850
|
36
|
24
|
308
|
36,4
|
ширина конвейера 2200
мм
|
4214-00-000А-02
|
159
|
750
|
760
|
790
|
40
|
22
|
312
|
30,5
|
4214-00-000А-03
|
159
|
950
|
960
|
990
|
40
|
22
|
312
|
36,0
|
Н-4217-00-000
|
108
|
2 400
|
2 412
|
2 450
|
36
|
24
|
308
|
89,0
|
Ролики конвейерные
изготавливаются для различных условий эксплуатации с разными видами уплотнений
подшипниковых узлов.
Ролики с контактным
уплотнением диаметром – 89; 102; 108; 127; 159 ммбольшой степени
надежности. Для увеличения прочности соединения труба с вкладышем материал
последнего выбран – листовая сталь, что гарантирует большую контактную
прочность и соответственно виброустойчивость на весь срок службы ролика.
Это позволяет
использовать ролики и в зоне загрузки конвейера и вообще при транспортировке
крупнокусковой пароды. Диск и ступица вкладыша изготавливаются методом вытяжной
штамповки, а соединения их между собой осуществлено комбинированным способом:
натяг при сборке и сварка на полуавтомате.
Уплотнение подшипников
сделано контактного типа из антифрикционных шайб, что позволяет эксплуатировать
ролики даже во влажной среде с минимальным коэффициентом приведения во
вращении, т.е. легкость вращения, а это, в конечном счете – уменьшение
затрачиваемого энергии при работе конвейера.
Стопорные кольца оригинальной
конструкции позволяют при их демонтаже без специнструмента, а обычной
отверткой. Это дает возможность делать быстрый профилактический осмотр и замену
долгодействующей смазки у нескольких роликов.
Окончательная смена
смазки остальных роликов уточняется от условии эксплуатации.
Так как контактные шайбы
не имеют осевых перемещений, как в роликах с лабиринтном уплотнении, то при
осевых нагрузках ролик неподвержен на работу «поршневого насоса» – при
одном перемещении вытесняет смазку, а при противоположном – всасывают пыль из внешней
среды.
Ролики
с лабиринтным уплотнением.
Такие
ролики считаются наиболее универсальными для различных условии работы.
Особенно они незаменимы при
транспортировке сухих абразивных материалов. Заполненные смазкой лабиринтные
щели и дополнительно смазочный «карман» перед подшипником улавливают абразивную
пыль и прочее грязевые частицы в течение длительного времени.
Это время зависит от многих
факторов:
1). Запыленности среды;
2). Величины абразивных
зерен;
3). От уровня саблевидности
ленты и качества ее стыковки;
4). От величины замыкающего
звена в размерной цепи ролика и точности ее исполнения;
5). Скорости движения ленты
конвейера;
6). Обслуживания роликов и
качества применяемой смазки;
7). От других факторов
объективного и субъективного характера.
Но не обходимо отметить, что эти ролики при
большом количестве положительных значении, имеющие большое плечо от точки опоры
в стойке роликоопоры до центра подшипника, и это требуют применение хорошей
стали на ось ролика, сталь 45 или сталь 6, а не сталь 3, которая встречается у
некоторых изготовителей.
Соединение вкладыша с трубой
требует также при ударной нагрузке на ролик.
Посадка внутреннего лабиринта
на треугольные накатанные шлица шейки оси гарантируют длительную работу
лабиринта без проворачивания даже при загущении смазки во время остановок
конвейера и накапливания в ней пыли.
В последнее время уплотнение
сделали комбинированным – к лабиринтным втулкам добавили тарельчатые стальные
шайбы, как фильтр «грубой очистки», и длину лепестков у лабиринтных втулок увеличили
с 6 до 9 мм.,
а их количество удвоило. Это резко повысило защищенность подшипников, это
подтвердилось при испытаниях в пылевой камере.
|
|